Acrel-BUS智能照明控制器
-
18701997389
-
18217418816
● 驅動器
開關驅動器
| 設備供電 | 21—30V DC???? 12mA(max) |
| 功耗 <360mW | |
| 輸出參數 | 負載電壓?? 110—250V AC?? 50/60Hz |
| 負載電流 ???? ?16A | |
| 每路功率損耗?? 1.5W | |
| ?溫度范圍 | 正常運行??????? -5–45℃ |
| 儲存溫度??????? -25–55℃ | |
| 運輸溫度??????? -25–75℃ | |
| 安裝方式 | 標準35mm軌道安裝 |
?
0-10V調光驅動器
| 設備供電 | 21—30V DC???? 12mA(max) |
| 功耗 <360mW | |
| 輸出參數 | 負載電壓:110—250V AC?? 50/60Hz |
| 負載電流: ???? ?16A | |
| 0-10V DC調光信號 | |
| ?溫度范圍 | 正常運行??????? -5–45℃ |
| 儲存溫度??????? -25–55℃ | |
| 運輸溫度??????? -25–75℃ | |
| 安裝方式 | 標準35mm軌道安裝 |
?
● 傳感器
人體感應及光照度二合一傳感器
| 設備供電 | 21—30V DC? 12mA(max) |
| 功率 <360mW | |
| 感應參數 | 人體感應距離5-7m |
| 光照度感應0-65535lux | |
| ?溫度范圍 | 正常運行??????? -5–45℃ |
| 儲存溫度??????? -25–55℃ | |
| 運輸溫度??????? -25–75℃ | |
| 安裝方式 | 嵌入式吸頂安裝 |
?
智能面板
| 設備供電 | 21—30V DC? 12mA(max) |
| 功耗 <360mW | |
| 輸入參數 | 按鍵輸入 |
| ?溫度范圍 | 正常運行??????? -5–45℃ |
| 儲存溫度??????? -25–55℃ | |
| 運輸溫度??????? -25–75℃ | |
| 安裝方式 | 標準86盒安裝 |
?
干接點輸入模塊
| 設備供電電壓 | 21—30V DC? 12mA(max) |
| 功率 <360mW | |
| 輸入類型 | 外接干接點信號 |
| ?溫度范圍 | 正常運行??????? -5–45℃ |
| 儲存溫度??????? -25–55℃ | |
| 運輸溫度??????? -25–75℃ | |
| 安裝方式 | 標準35mm軌道安裝 |
?
● 系統元件
總線電源
| 輸入參數 | 85~265V AC ?? ??50/60Hz |
| 輸出參數 | 輸出電壓????? ? 30V DC |
| 輸出電流??? ???? 640mA | |
| 短路電流??? ???? 1.3A | |
| ?溫度范圍 | 正常運行??????? -5–45℃ |
| 儲存溫度??????? -25–55℃ | |
| 運輸溫度??????? -25–75℃ | |
| 安裝方式 | 標準35mm軌道安裝 |
應用方案圖
?
組網圖
外形尺寸
ASL100-S2/16及ASL100-S2I/16外形及尺寸
ASL100-S4/16及ASL100-S4I/16外形及尺寸
ASL100-S8/16及ASL100-S8I/16外形及尺寸
ASL100-S12/16及ASL100-S12I/16外形及尺寸
ASL100-SD2/16外形及尺寸
ASL100-SD4/16外形及尺寸
ASL100-TD2/5外形及尺寸
ASL100-C4/6外形及尺寸
?
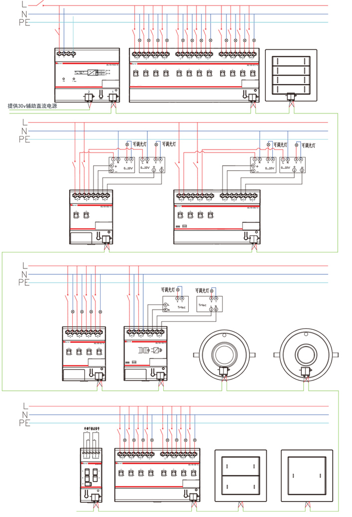
接線方式
?
現場安裝圖
























