ANAPF有源電力濾波器
-
18701997389
-
18217418816
外形尺寸
抽屜式模塊示意圖
?
壁掛式模塊示意圖
?
整柜示意圖
?
接線方式
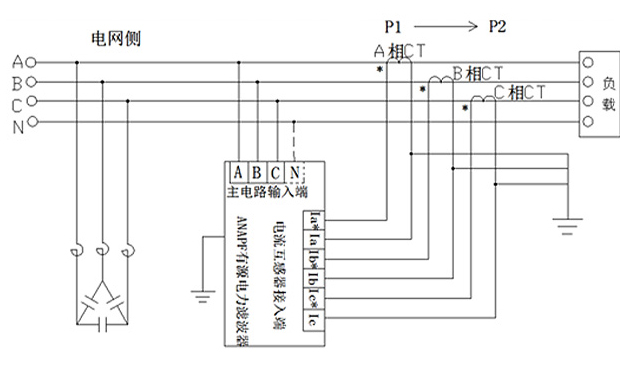
電容柜在進線側主電路接線
?
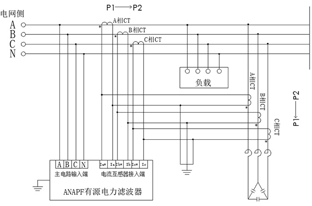
電容柜在末端主電路接線
?
安裝示意
1. A、B、C、N主線,連接至接線端子(主線路輸入端)
2. PE接地線,連接至接線端子或接地銅排
3. CT接線端子,連接至電流信號端子(電流互感器輸入端)
?
現場安裝圖
案例一 ANAPF在數據機房的應用
治理前
治理后
?
案例二 ANAPF在商業中心的應用
治理前
治理后
立柜式ANAPF有源電力濾波器
壁掛式(抽屜式)ANAPF有源電力濾波器






















